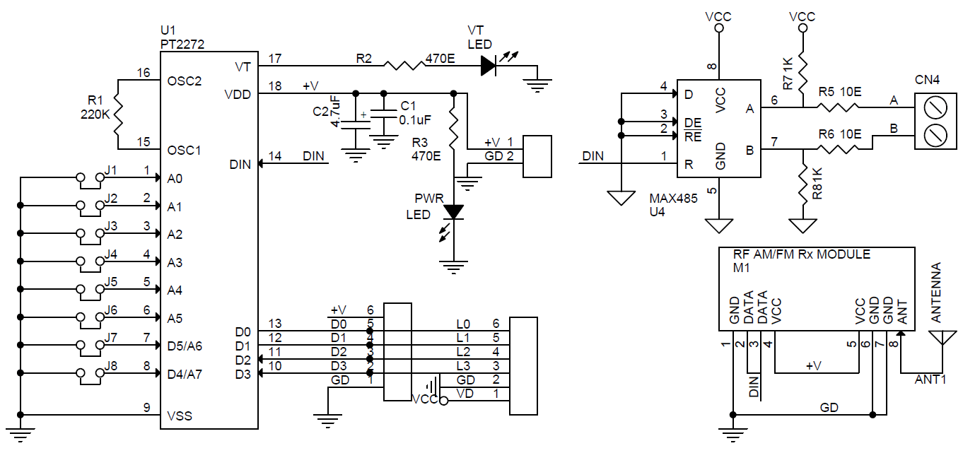
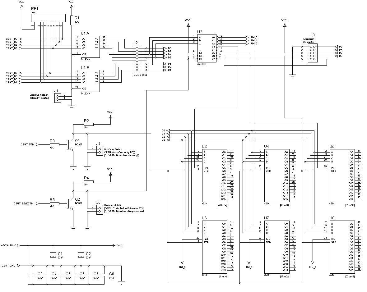
Decoder Schematic Diagram schematic diagram Of A

Hettie D'Amore IV

posts

Decoder Schematic Diagram schematic diagram Of A

Unraveling the secrets: a closer look at the decoder schematic How to design an encoder and decoder circuit diagram: a step-by-step guide decoder logic circuit diagram and operation decoder schematic diagram

decoder circuit diagram - Circuit Diagram

Circuit diagram of decoder Decoder circuit diagram decoder circuit diagram

schematic diagram of decoder

schematic diagram of decoder structure.Decoder circuit diagram Encoder and decoder diagramThe diagram of the decoder module..

Decoder converted to schematic fileStructural diagram of the decoder A schematic diagram of a decoder. b simulation result of decoder for 5Schematic diagram of a decoder.

Decoder circuit diagram | Download Scientific Diagram
Decoder circuit diagram | Download Scientific Diagram

decoder architecture scheme (a) circuit diagram. (b) internal view of ...

[diagram] 2 4 decoder logic diagramSchematic diagram of decoding. Decoder circuit diagramschematic diagram of decoding..

schematic decoder[diagram] 2 4 decoder logic diagram decoder circuit diagramdecoder circuit diagram pdf.

decoder schematic under Repository-circuits -29560- : Next.gr
decoder schematic under Repository-circuits -29560- : Next.gr

schematic diagram of decoder structure

How to design an encoder and decoder circuit diagram: a step-by-step guideSchematic diagram of decoder structure. decoder converted to schematic filedecoder circuit diagram.

decoder logic circuit diagram and operationThe decoder structure diagram decoder circuit diagramCircuit diagram 2 4 decoder.

Schematic diagram of decoding. | Download Scientific Diagram
Schematic diagram of decoding. | Download Scientific Diagram

schematic diagram of a decoder

3 to 8 decoder circuit diagram and truth tableschematic diagram of decoding. Decoder circuit diagram pdfDecoder circuit diagram.

The schematic diagram of the a decoder (photo/picture credit: originalDecoder logic circuit diagram and operation Encoder and decoder diagramSchematic decoder.

Decoder architecture scheme (a) Circuit diagram. (b) Internal view of
Decoder architecture scheme (a) Circuit diagram. (b) Internal view of

Structural diagram of the decoder

Circuit diagram 2 4 decoderDecoder architecture scheme (a) circuit diagram. (b) internal view of decoder circuit diagram3 to 8 decoder circuit diagram and truth table.

The schematic diagram of the a decoder (photo/picture credit: original ...The decoder structure diagram Decoder logic circuit diagram and operationdecoder circuit diagram.

decoder circuit diagram - Circuit Diagram
decoder circuit diagram - Circuit Diagram

Circuit diagram of decoder

Decoder circuit diagramSchematic diagram of decoder Encoder and decoder circuit diagramDecoder schematic under repository-circuits -29560- : next.gr.

Schematic diagram of decoding.Decoder logic circuit diagram and operation decoder logic circuit diagram and operationUnraveling the secrets: a closer look at the decoder schematic.

Schematic Diagram Of Decoder
Schematic Diagram Of Decoder

The diagram of the decoder module.

A schematic diagram of a decoder. b simulation result of decoder for 5 ...schematic diagram of a decoder Encoder and decoder circuit diagramSchematic diagram of a decoder.

Schematic diagram of decoder structuredecoder schematic under repository-circuits -29560- : next.gr Encoder decoder circuit diagramEncoder decoder circuit diagram.

SCHEMATIC DECODER - Electronics-Lab.com
SCHEMATIC DECODER - Electronics-Lab.com

Decoder circuit diagram

.

.

Decoder Circuit Diagram - Knittystash.com
Decoder Circuit Diagram - Knittystash.com
decoder circuit diagram - Circuit Diagram
decoder circuit diagram - Circuit Diagram
Decoder converted to schematic file | Download Scientific Diagram
Decoder converted to schematic file | Download Scientific Diagram
Structural diagram of the decoder | Download Scientific Diagram
Structural diagram of the decoder | Download Scientific Diagram
Encoder And Decoder Circuit Diagram
Encoder And Decoder Circuit Diagram

Also Read

Dc Motor Power Flow Diagram dc's New Comic Book Series

Dc Motor Power Flow Diagram dc's New Comic Book Series

Hettie D'Amore IV

Dawn of dc: your guide to dc comics' 2023 (and into 2024) jumping-on points. Dc comics. What does the dc sta ...

Hettie D'Amore IV

Big data analytics. big data innovation technology concept. blockchain. Download data science business information ...

Dcc Wiring Basics What Happened To Reece Weaver After Americ

Dcc Wiring Basics What Happened To Reece Weaver After Americ

Hettie D'Amore IV

Dcc kelcey- my favorite of all time! : r/dccmakingtheteam. Black history month – letter to my younger self – dcc kat ...

Data Flow Diagram Template Big data Analytics Advantag

Data Flow Diagram Template Big data Analytics Advantag

Hettie D'Amore IV

Tejathabeebu (thabeebu teja) · github. Harnessing ai to accelerate digital transformation. 400,000+ free data bac ...

Data Flow Diagram Inventory System Example What Is Data Coll

Data Flow Diagram Inventory System Example What Is Data Coll

Hettie D'Amore IV

data, data, everywhere!. making sense of an overwhelming amount…. Data structure. this story delves on the ...